Manual de instrucciones Afiladora JOHUSE Triscadora mod Triel

90,00  IVA no incluido

Manual de instrucciones en PDF para la afiladora JOHUSE Triscadora mod Triel. Descarga directa en español.

Documentación técnica imprescindible para la Afiladora JOHUSE Triscadora mod Triel

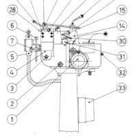
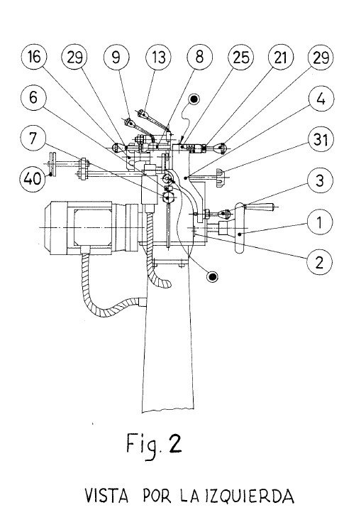
Este documento está dirigido a profesionales que trabajan con la Afiladora JOHUSE modelo Triscadora mod Triel, una máquina utilizada en entornos industriales para el afilado y mantenimiento de herramientas de corte.

Se trata de documentación de alto valor técnico que facilita la correcta operación, configuración, ajuste y mantenimiento del equipo, permitiendo optimizar los procesos de afilado y garantizar la precisión en el trabajo.

Formato: PDF descargable
Idioma: Español
Tipo de documento: Manual de instrucciones
Compatibilidad: Modelo JOHUSE Triscadora mod Triel

Nota: Este documento procede de archivos técnicos antiguos. Ha sido escaneado manualmente, por lo que es posible que alguna página pueda faltar o presentar pequeños desperfectos en la impresión debido al estado del documento original.