Manual técnico imprescindible para el sierra alternativa COLCHESTER 150
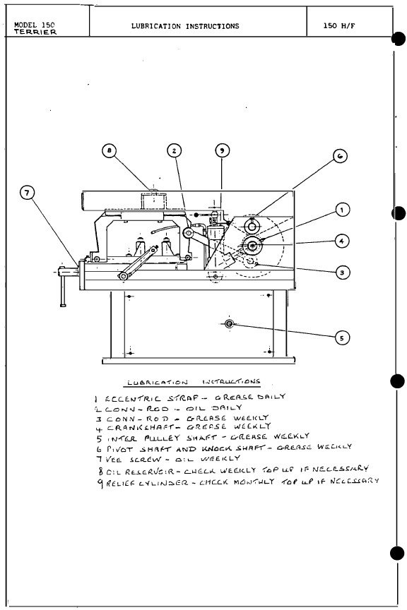
Este manual está dirigido a profesionales que trabajan con el sierra alternativa COLCHESTER modelo 150, una máquina utilizada en entornos industriales que requieren precisión y fiabilidad.
Es una guía técnica de gran utilidad para operarios, técnicos y responsables de mantenimiento, ya que facilita el uso seguro del torno, su configuración y las tareas de mantenimiento preventivo.
Formato: PDF descargable
Idioma: Ingles
Compatibilidad: Modelo COLCHESTER 150
Nota: Este documento procede de archivos técnicos antiguos y ha sido escaneado manualmente. Es posible que alguna página pueda faltar o presentar pequeños desperfectos en la impresión debido al estado del documento original.










