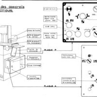
Documentación técnica imprescindible para la Fresadora H. ERNAULT SOMUA Z1C-Z3C
Este documento está dirigido a profesionales que trabajan con la Fresadora H. ERNAULT SOMUA modelo Z1C-Z3C, una máquina utilizada en entornos industriales que requieren precisión y fiabilidad.
Se trata de documentación de alto valor técnico que facilita la correcta operación, configuración y mantenimiento del equipo.
Formato: PDF descargable
Idioma: Francés
Tipo de documento: Manual de instrucciones + esquema eléctrico
Compatibilidad: Modelo H. ERNAULT SOMUA Z1C-Z3C
Nota: Este documento procede de archivos técnicos antiguos y ha sido escaneado manualmente. Es posible que alguna página pueda faltar o presentar pequeños desperfectos en la impresión debido al estado del documento original.










