Documentación técnica imprescindible para la Fresadora LAGUN FU-3L A
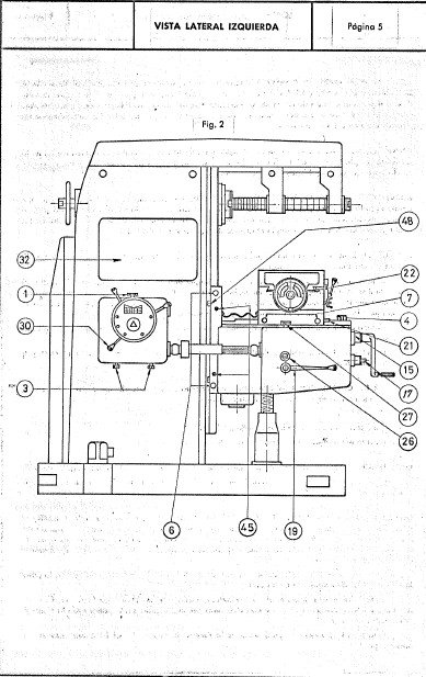
Este documento está dirigido a profesionales que trabajan con la Fresadora LAGUN modelo FU-3L A, una máquina utilizada en entornos industriales que requieren precisión y fiabilidad.
Se trata de documentación de alto valor técnico que facilita la correcta operación, configuración y mantenimiento del equipo.
Formato: PDF descargable
Idioma: Español
Tipo de documento: Manual de instrucciones
Compatibilidad: Modelo LAGUN FU-3L A
Nota: Este documento procede de archivos técnicos antiguos y ha sido escaneado manualmente. Es posible que alguna página pueda faltar o presentar pequeños desperfectos en la impresión debido al estado del documento original.










