Manual de instrucciones GER RHC-1000 | Rectificadora

150,00  IVA no incluido

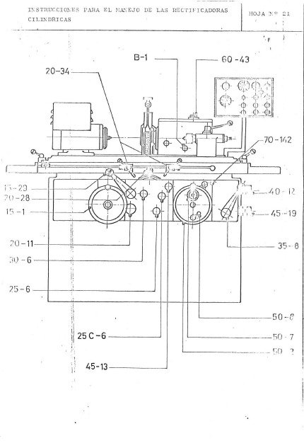
Manual de instrucciones en Español para rectificadora GER RHC-1000. Información técnica para uso, ajustes y mantenimiento.

Manual técnico imprescindible para el rectificadora GER RHC-1000

Este manual está dirigido a profesionales que trabajan con el rectificadora GER modelo RHC-1000, una máquina utilizada en entornos industriales que requieren precisión y fiabilidad.

Es una guía técnica de gran utilidad para operarios, técnicos y responsables de mantenimiento, ya que facilita el uso seguro del torno, su configuración y las tareas de mantenimiento preventivo.

Formato: PDF descargable
Idioma: Español
Compatibilidad: Modelo GER RHC-1000

Nota: Este documento procede de archivos técnicos antiguos y ha sido escaneado manualmente. Es posible que alguna página pueda faltar o presentar pequeños desperfectos en la impresión debido al estado del documento original.

*Este manual se entrega en formato PDF escaneado. No se trata del documento original impreso.*