Manual técnico imprescindible para el rectificadora cilindrica HIDRO-PRECIS RE-100
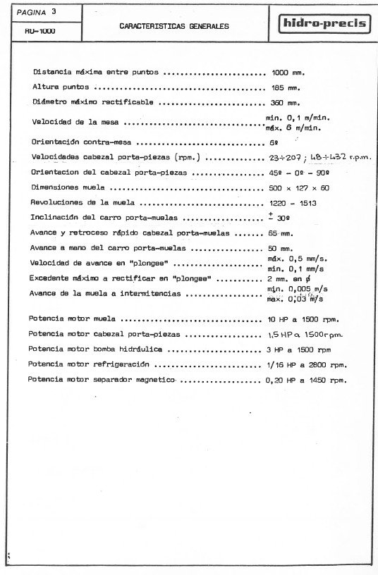
Este manual está dirigido a profesionales que trabajan con el rectificadora cilindrica HIDRO-PRECIS modelo RE-100, una máquina utilizada en entornos industriales que requieren precisión y fiabilidad.
Es una guía técnica de gran utilidad para operarios, técnicos y responsables de mantenimiento, ya que facilita el uso seguro del torno, su configuración y las tareas de mantenimiento preventivo.
Formato: PDF descargable
Idioma: Español
Compatibilidad: Modelo HIDRO-PRECIS RE-100
Nota: Este documento procede de archivos técnicos antiguos. Ha sido escaneado manualmente, por lo que es posible que alguna página pueda faltar o presentar pequeños desperfectos en la impresión debido al estado del documento original.
*Este manual se entrega en formato PDF escaneado. No se trata del documento original impreso.*










