Manual técnico imprescindible para el torno paralelo NORDIC 15 (Nordic)
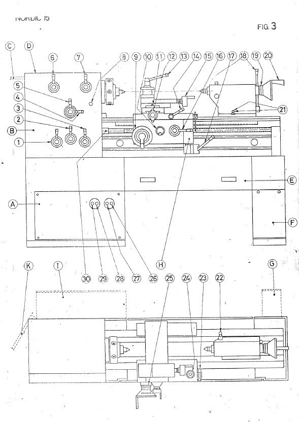
Este manual está dirigido a profesionales que trabajan con el torno paralelo NORDIC modelo 15 (Nordic), una máquina utilizada en entornos industriales que requieren precisión y fiabilidad.
Es una guía técnica de gran utilidad para operarios, técnicos y responsables de mantenimiento, ya que facilita el uso seguro del torno, su configuración y las tareas de mantenimiento preventivo.
Formato: PDF descargable
Idioma: Español
Compatibilidad: Modelo NORDIC 15 (Nordic)
Nota: Este documento procede de archivos técnicos antiguos y ha sido escaneado manualmente. Es posible que alguna página pueda faltar o presentar pequeños desperfectos en la impresión debido al estado del documento original.










