Manual de instrucciones Pinacho Torrent T71-68 | Torno paralelo

180,00  IVA no incluido

Manual de instrucciones en Español para torno paralelo Pinacho Torrent T71-68. Información técnica para uso, ajustes y mantenimiento.

Manual técnico imprescindible para el torno paralelo Pinacho Torrent T71-68

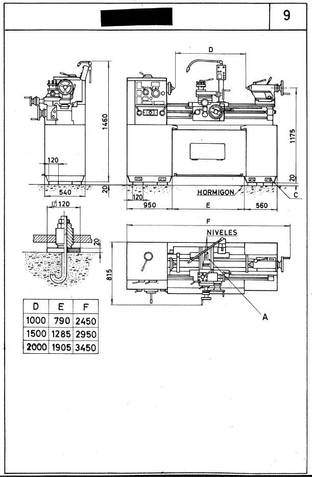
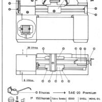
Este manual está dirigido a profesionales que trabajan con el torno paralelo Pinacho Torrent modelo T71-68, una máquina utilizada en entornos industriales que requieren precisión y fiabilidad.

Es una guía técnica de gran utilidad para operarios, técnicos y responsables de mantenimiento, ya que facilita el uso seguro del torno, su configuración y las tareas de mantenimiento preventivo.

Formato: PDF descargable
Idioma: Español
Compatibilidad: Modelo Pinacho Torrent T71-68

Nota: Este documento procede de archivos técnicos antiguos y ha sido escaneado manualmente. Es posible que alguna página pueda faltar o presentar pequeños desperfectos en la impresión debido al estado del documento original.