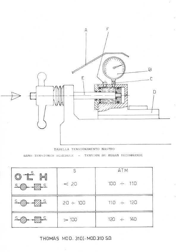
Manual Sierra THOMAS 310-I

90,00  IVA no incluido

Manual en PDF para la sierra THOMAS 310-I. Descarga directa en inglés.

Manual técnico imprescindible para la sierra THOMAS 310-I

Este manual está dirigido a profesionales que trabajan con la sierra THOMAS 310-I-I, una máquina utilizada en entornos industriales que requieren precisión y fiabilidad.

Es una guía técnica de gran utilidad para operarios, técnicos y responsables de mantenimiento, ya que facilita el uso seguro de la máquina, su configuración y las tareas de mantenimiento preventivo.

Formato: PDF descargable
Idioma: Inglés
Compatibilidad: Modelo THOMAS 310-I

Nota: Este documento procede de archivos técnicos antiguos y ha sido escaneado manualmente. Es posible que alguna página pueda faltar o presentar pequeños desperfectos en la impresión debido al estado del documento original.

*Este manual se entrega en formato PDF escaneado. No se trata del documento original impreso.*